查看: 644|回复: 3

[不吐不快] 有无老哥帮忙看看课程设计的

[复制链接]
累计签到:25 天
连续签到:1 天

1

主题

4

回帖

196

积分

星碎

名望
0
星币
169
星辰
0
好评
0
发表于 2022-12-28 21:37:29 | 显示全部楼层 |阅读模式

注册登录后全站资源免费查看下载

您需要 登录 才可以下载或查看,没有账号?立即注册

×
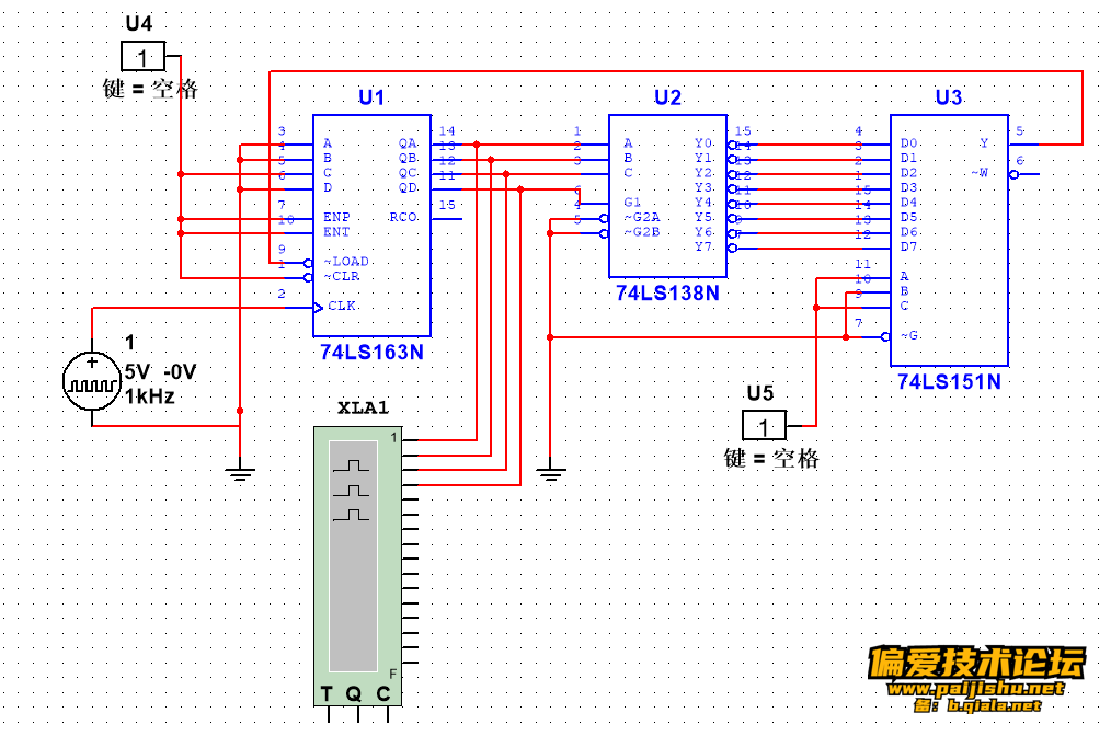
带学生网课摆烂,结果期末啥也不会.

有无懂哥帮忙看看电路的.
有的一会在下面发图了
默认签名:偏爱是我家,发展靠大家! 社区反馈邮箱Mail To:paijishu@outlook.com
回复

使用道具 举报

累计签到:1128 天
连续签到:4 天

0

主题

80

回帖

3340

积分

本源

名望
0
星币
2949
星辰
0
好评
4
发表于 2022-12-28 22:19:27 | 显示全部楼层
发出来看看
默认签名:偏爱是我家,发展靠大家! 社区反馈邮箱Mail To:paijishu@outlook.com
回复 支持 反对

使用道具 举报

累计签到:25 天
连续签到:1 天

1

主题

4

回帖

196

积分

星碎

名望
0
星币
169
星辰
0
好评
0
 楼主| 发表于 2022-12-29 10:15:59 | 显示全部楼层
默认签名:偏爱是我家,发展靠大家! 社区反馈邮箱Mail To:paijishu@outlook.com
回复 支持 反对

使用道具 举报

累计签到:25 天
连续签到:1 天

1

主题

4

回帖

196

积分

星碎

名望
0
星币
169
星辰
0
好评
0
 楼主| 发表于 2022-12-29 10:16:30 | 显示全部楼层

哥,发到下面了
默认签名:偏爱是我家,发展靠大家! 社区反馈邮箱Mail To:paijishu@outlook.com
回复 支持 反对

使用道具 举报

您需要登录后才可以回帖 登录 | 立即注册

本版积分规则

Archiver|手机版|偏爱技术社区-偏爱技术吧-源码-科学刀-我爱辅助-娱乐网--教开服-游戏源码

偏爱技术社区-偏爱技术吧-源码-科学刀-我爱辅助-娱乐网-游戏源码

Powered by Discuz! X3.5

GMT+8, 2026-5-17 22:17 , Processed in 0.071456 second(s), 40 queries .

快速回复 返回顶部 返回列表